Related Topics
ThunderOhm Style
Josh Rozier returns for the 5th time on the podcast which might be some kind of record. This time Josh talks about his beginnings in laying out PCBs.
Fourth Annual MacroFab Star Wars Christmas Special
Josh Rozier and Hyr0n join Parker and Stephen to talk about the latest Star Wars lore, technology, and media! Star Wars HeathKits and The Mandalorian.
Mach 3 Cheeseburgers
Mach 3 Cheeseburgers, Simulations for the PinoTaur mosfet drivers, and more on this episode of the MacroFab Podcast.
Other Resources
Circuit Break Podcast
Webinars
Videos
Tour MacroFab's ITAR-Compliant Facility
May 29, 2019, Episode #174
Josh Rozier
- Research and Development of Transformers
- More than meets the eye
- Josh was a guest on EP #152: Third Annual MacroFab Star Wars Christmas Special – Vader’s Fake Fingers
Parker
- DOOM SAO
- Screens arrive this week. Going to Test them with the breakout board.
- Atmel ICE to Tag connect adapter board ordered.
- Wagon Grill complete
- Sodium Hydroxide to remove Anodizing
Stephen
- Removing Cosmoline from M1 Garand Rifle
- Genericized trademark for a common class of brown wax-like petroleum-based corrosion inhibitors, typically conforming to United States Military Standard MIL-C-11796C Class 3
- Material Safety Datasheet
R.F.O.
- Engineer tripped on LSD after touching 1960s synthesizer coated in it
- Does LSD even have a shelf life that long?
- ARM memo tells staff to stop working with China’s tech giant
- The SD Association dropped Huawei from the trade group
- SD card branding
- The SD Association dropped Huawei from the trade group
Visit our Public Slack Channel and join the conversation in between episodes!

Josh winding his transformer. Spreadsheet in the background.

DOOM SAO with updated silkscreen.

Jeep Wagoneer with refinished grill and bumper. Lots of sanding, buffing, and polishing.

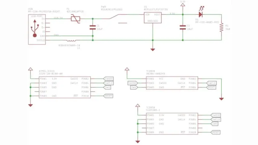
Atmel ICE to Tag Connect adapter. Gets power from USB to power up the DUT.

Board render of the Atmel ICE to Tag Connect adapter.
About the Hosts

Parker Dillmann
Parker is an Electrical Engineer with backgrounds in Embedded System Design and Digital Signal Processing. He got his start in 2005 by hacking Nintendo consoles into portable gaming units. The following year he designed and produced an Atari 2600 video mod to allow the Atari to display a crisp, RF fuzz free picture on newer TVs. Over a thousand Atari video mods where produced by Parker from 2006 to 2011 and the mod is still made by other enthusiasts in the Atari community.
In 2006, Parker enrolled at The University of Texas at Austin as a Petroleum Engineer. After realizing electronics was his passion he switched majors in 2007 to Electrical and Computer Engineering. Following his previous background in making the Atari 2600 video mod, Parker decided to take more board layout classes and circuit design classes. Other areas of study include robotics, microcontroller theory and design, FPGA development with VHDL and Verilog, and image and signal processing with DSPs. In 2010, Parker won a Ti sponsored Launchpad programming and design contest that was held by the IEEE CS chapter at the University. Parker graduated with a BS in Electrical and Computer Engineering in the Spring of 2012.
In the Summer of 2012, Parker was hired on as an Electrical Engineer at Dynamic Perception to design and prototype new electronic products. Here, Parker learned about full product development cycles and honed his board layout skills. Seeing the difficulties in managing operations and FCC/CE compliance testing, Parker thought there had to be a better way for small electronic companies to get their product out in customer's hands.
Parker also runs the blog, longhornengineer.com, where he posts his personal projects, technical guides, and appnotes about board layout design and components.

Stephen Kraig
Stephen Kraig is a component engineer working in the aerospace industry. He has applied his electrical engineering knowledge in a variety of contexts previously, including oil and gas, contract manufacturing, audio electronic repair, and synthesizer design. A graduate of Texas A&M, Stephen has lived his adult life in the Houston, TX, and Denver, CO, areas.
Stephen has never said no to a project. From building guitar amps (starting when he was 17) to designing and building his own CNC table to fine-tuning the mineral composition of the water he uses to brew beer, he thrives on testing, experimentation, and problem-solving. Tune into the podcast to learn more about the wacky stuff Stephen gets up to.
Special thanks to whixr over at Tymkrs for the intro and outro!
Related Podcasts

Sidecreeping Gyrations
Parker explains the DOOM SAO and Stephen implements a Gyrator for the MacroAmp!

Mach 3 Cheeseburgers
Mach 3 Cheeseburgers, Simulations for the PinoTaur mosfet drivers, and more on this episode of the MacroFab Podcast.

Fourth Annual MacroFab Star Wars Christmas Special
Josh Rozier and Hyr0n join Parker and Stephen to talk about the latest Star Wars lore, technology, and media! Star Wars HeathKits and The Mandalorian.

Little Shop of Transformer Horror
Josh Rozier starts his design of a power transformer, the DOOM SAO gets more code, and the MacroAmp is 90% done!

Leeroy Jenkins Transistor
Parker gets test results from his APA-102C experiments and Stephen wraps up REV2 of the MacroAmp!

ThunderOhm Style
Josh Rozier returns for the 5th time on the podcast which might be some kind of record. This time Josh talks about his beginnings in laying out PCBs.
About MacroFab
MacroFab offers comprehensive manufacturing solutions, from your smallest prototyping orders to your largest production needs. Our factory network locations are strategically located across North America, ensuring that we have the flexibility to provide capacity when and where you need it most.
Experience the future of EMS manufacturing with our state-of-the-art technology platform and cutting-edge digital supply chain solutions. At MacroFab, we ensure that your electronics are produced faster, more efficiently, and with fewer logistic problems than ever before.
Take advantage of AI-enabled sourcing opportunities and employ expert teams who are connected through a user-friendly technology platform. Discover how streamlined electronics manufacturing can benefit your business by contacting us today.